Все товары  /  Сантехника  /  Инженерная сантехника  /  Запорная и терморегулирующая арматура

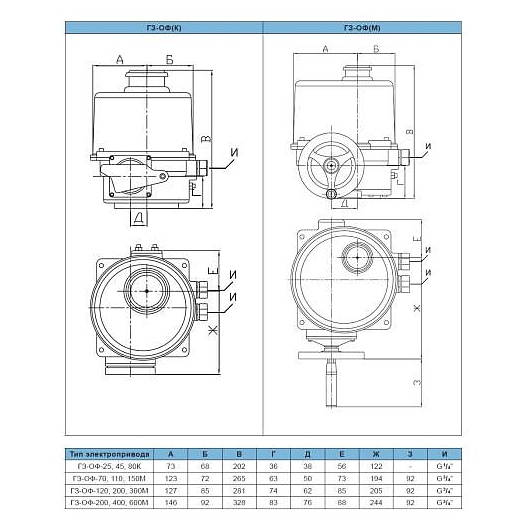
Электропривод ГЗ Электропривод четвертьоборотный ГЗ-ОФ-45/11К F05 11х11 квадрат 380В

Код товара: 239680
Статус: В наличии
Основные характеристики
Тип электропривод
Область применения водоснабжение, отопление
Вес (без упаковки) 5.14 кг
Страна-производитель Россия
Описание

Привод электрический ГЗ Электропривод ГЗ-ОФ-45/11К F05 используется для управления запорной промышленной трубопроводной арматуры, устанавливаемой в помещениях, под навесом и на открытом воздухе.

Особенности:

  • Используются для дистанционного и местного управления запорной арматурой
  • Устанавливать электропривод можно в любом положении
  • Может работать в системах автоматического управления
  • Защита от перегрева
  • Шток арматуры квадрат
  • Тип четвертьоборотный
  • Комплект поставки: электропривод, паспорт на электропривод

Дополнительные характеристики:

  • Присоединение к арматуре: F05 11х11
  • Напряжение питания привода: 380 В
Информация о товарах, размещенная на сайте, не является публичной офертой, определяемой положениями ст. 405 Гражданского кодекса Республики Беларусь. Производители вправе вносить изменения в технические характеристики, внешний вид и комплектацию товаров без предварительного уведомления. Уточняйте характеристики у наших менеджеров перед оформлением заказа
Алексей, директор компании
Алексей
Директор компании
Звоните в будни с 9:00 до 18:00